Kónické poistné puzdro reťazového kolesaponúka robustné mechanické uloženie medzi nábojom reťazového kolesa a hriadeľom, čím zabezpečuje pevné a spoľahlivé spojenie pre plynulý a efektívny prenos výkonu. Táto konštrukcia minimalizuje straty energie a zvyšuje celkovú účinnosť systému.
Kľúčové vlastnosti
- Mechanické uloženie:Bezpečné spojenie náboja reťazového kolesa a hriadeľa pre vynikajúcu spoľahlivosť a znížený sklz.
- Efektívny prenos výkonu:Plynulá prevádzka so zníženým trením a hlukom vďaka presnému tvarovaniu zubov.
- Dlhá životnosť:Odolné materiály a konštrukcia predlžujú životnosť reťazových kolies a reťazí, čím sa minimalizujú prestoje a náklady na údržbu.
- Možnosti materiálov:
- Oceľ C45:Vyvážený pomer pevnosti a ekonomickej výhodnosti pre všeobecné použitie.
- Nerezová oceľ:Vynikajúca odolnosť proti korózii – ideálna pre náročné prostredia.
- Kalená oceľ:Tepelne spracovaná pre zvýšenú odolnosť proti opotrebeniu a trvanlivosť.
- Znížená údržba:Menej výmen, čo znižuje celkové prevádzkové náklady.
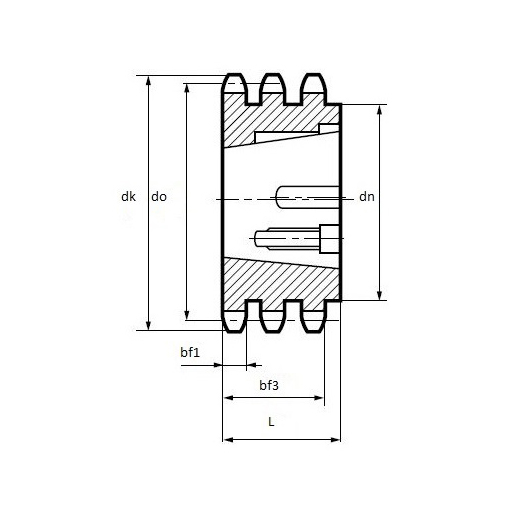
Technické špecifikácie
- Číslo ISO:16B-3 (1″ x 17,02 mm)
- Rozstup:25,4 mm
- Vnútorná šírka:17,02 mm
- Priemer valčeka:15,88 mm
- Šírka zubov:79,6 mm
- Ba:2,5 mm (šírka polomeru)
- Rx:26,0 mm (min. polomer zuba)
Výhody
- Silné a spoľahlivé spojenie pre vysokovýkonné systémy
- Znížené trenie a hluk pre plynulejšiu prevádzku
- Predĺžená životnosť a znížené náklady na údržbu
- Univerzálne možnosti materiálov, ktoré vyhovujú rôznym prostrediam
Vyberte si naše kužeľové poistné puzdrové reťazové kolesá pre vynikajúcu odolnosť, efektívny prenos výkonu a nízke náklady na údržbu v náročných aplikáciách.